ESD è un’abbreviazione che si incontra spesso negli ambienti industriali. Le tre lettere stanno per „electrostatic discharge“ (scarica elettrostatica). Tutti, nella vita, abbiamo avuto esperienze tangibili… Continua a leggere
La norma DIN EN 61340-5-1, che definisce i principi della protezione dalle ESD, stabilisce la necessità di progettare un’appropriata area elettrostatica protetta (EPA). I componenti elettronici… Continua a leggere
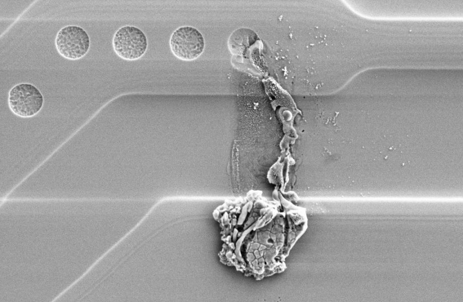
Quando i microchip sono difettosi, è compito degli esperti dell’SGS Institut Fresenius di Dresda scoprire la causa del difetto. Tutti abbiamo sperimento una scarica elettrostatica (ESD… Continua a leggere



